R 32
Oszlopos fúrógép nagy teljesítményű szíjhajtással vagy egyszerű variátorral
R 32E
Oszlopos fúrógép nagy teljesítményű hajtással és elektronikus sebességvariátorral
Previous slide
Next slide

Többet szeretne megtudni fúrógépeinkről vagy érdeklődik irántuk?

Akkor vegye fel velünk a kapcsolatot még ma!

Közepes méretű fúrógépek nagyteljesítményű hajtóművel

  • Téglalap asztal
  • Dönthető asztal satuval
  • Keresztasztal

Opciók:

  • CODE 40024: 24 Voltos LED világítás
  • CODE 30001: hűtő rendszer
  • CODE 40002: menetvágó egység végállás kapcsolóval
  • CODE 30018: Flow fúró
  • CODE 30003: mechanikus orsó előtolás 3 előtoló sebességgel: 0,05-0,1-0,2 mm/ford
  • CODE 30019: Hidropneumatikus orsó előtolás UR80 (R32-R40)
  • CODE 40010: Hidropneumatikus orsó előtolás UR100 (R45). Automatikus 105 mm-es orsó lökethossz, visszaállás gyorsjárattal a beállított mélységre. 5-2500 mm/perc előtolás. 6 bar-os nyomóerő, 400 kg
  • CODE 40083: 24V DC automata orsó leeresztés elektromágneses kapcsolóval
  • CODE 40026: automatikus hosszirányú keresztasztal mozgatás
  • CODE 40006: Asztal gyors függőleges mozgatása
  • CODE 40001: 230 mm-es orsó futáshossz (csak VS) (Csak R45-re)
  • CODE 40020: ISO 40-es orsótengely menetes rúddal (Csak R45)
  • CODE 40037: CM4 orsótengely átmenő furattal menetes szerszámok rögzítéséhez (Csak R45)
  • Membrán kapcsoló felület minden elektronikus modellen

Asztal típusok

Dönthető asztal

Dönthető asztal satuval

Keresztasztal

Technikai adatok:

Fúrókapacitás R50-es acélonmmØ32
Menetfúrás kapacitás R50-es acélonmmM20
Kúpos tokmány MT3
Orsó futáshosszmm135
Orsótok átmérőmm62
Automatikus előtolás (Opcionális)mm/ford3 sebesség: 0,05-0,1-0,2 mm/ford | 4 sebesség: 0,05-0,1-0,2 mm/ford
   
Elektromágneses automata orsó előtolásmm/ford3 sebesség: 0,05-0,1-0,2 mm/ford | 4 sebesség: 0,05-0,1-0,2 mm/ford
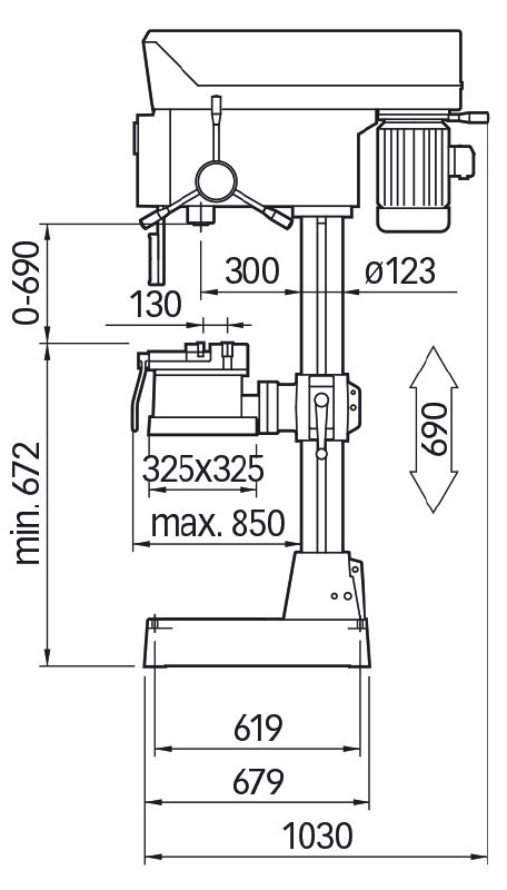
Oszlop átmérőmm123
Munkaasztal TC – PGM – TR
Hajtómű PU | VS
Orsó sebességrpm100-2200 | 100-1640
Motor teljesítménye (380 V 50 Hz)kW1,1-1,84
Távolság a 2 T-horony közöttmm125
T-horony szélességemm14
Keresztasztal mozgása az X tengelyen (manuális)mm425
Keresztasztal mozgása az X tengelyen (automata)mm365
Keresztasztal mozgása az Y tengelyen (manuális)mm240
Oszlop befoglaló méretek (m x sz x mély.)mm1900x665x1030
Tömegkg370

Kapcsolódó termékek